產品中心

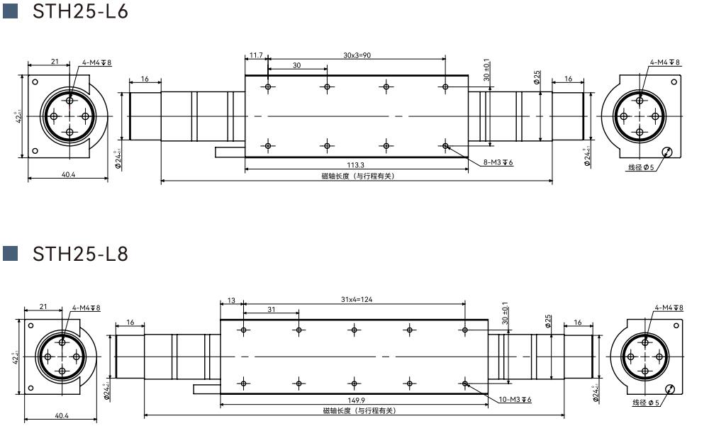
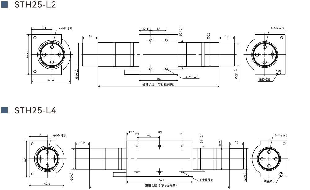
STH25係列 軸棒式直線電機

軸棒式直線電機是工業位移控(kòng)製的一種理(lǐ)想解決方案

其磨損小、噪音低、速度快、精度高,比傳統滾珠絲杆有更好(hǎo)的性能、可靠(kào)性和靈活性

  • 無鐵芯技術
  • 低震動,無齒槽效應
  • 無反向間隙(xì)
  • 極佳的(de)高速響應性能
  • 速度波(bō)動小,恒速(sù)度穩(wěn)定
  • 無接觸運動,免維護

隨時與我們聯(lián)係獲(huò)得專家幫助

Feel free to contact us for expert help

  • 產品谘詢

    18091988026

  • 技術服務

    15816867036

       (微信同號,添加了解產品)

  • 郵箱

    3066591851@qq.com

推薦產品

RECOMMENDED PRODUCTS

草莓视频ios_草莓视频官网_草莓视频黄色_草莓视频污在线观看